投訴熱線:13148701893
聯系人:鄧小姐
傳真: 0755-27315661
0760-85884496
座機:0755-29769890-0
0760-85884486
郵箱:jxdlx107@goodview-lcd.com
辦公地址:深圳市寶安區福永塘尾富華工業區11棟3樓
工廠地址:廣東省中山市三鄉鎮萬里路1號平鋪工業區B棟三樓
LCD液晶模塊-TCON板維修注意事項
來源:字符型液晶模塊 發布時間:2018-01-11 點擊量:4044
控制板又稱邏輯板或T-CON板,T-CON是Timming Controller的英文縮寫,意思是時序控制電路。CRT電視已經有幾十年的歷史了,傳統的CRT電視是通過掃描的方式工作的,信號都是串行的,而現在的電視標準又是根據CRT電視制定的,所以電視信號經電視機主板解碼后輸出的也是串行信號,我們知道液晶顯示器是采用矩陣顯示的方式工作的,處理的是并行信號,也就是說,如果將主板解碼后的電視信號直接送往液晶顯示器顯示,液晶顯示器是不能顯示的。必須有一個將串行信號轉換為并行信號的裝置,液晶顯示器才能將電視信號顯示出來,于是便有了T-CON板,T-CON板就是一個將串行信號轉換為并行信號的裝置。主板輸出的電視信號,在T-CON板中,進行拆解、重新組合,最終形成液晶顯示器的行驅動和列驅動需要的控制信號和數據信號。一般的T-CON板電路大致可以分為三大部分:信號處理電路(主IC及其外圍電路)、灰度形成電路(GMA形成電路)、供電電路(DC/DC電路)。信號處理電路主要是將主板傳輸來的電視信號轉換為液晶屏顯示需要的控制信號、像素信號、輔助信號等;灰度形成電路主要是形成液晶顯示器顯示所需要的灰度信號(灰度可以使液晶屏的顯示更有層次感,使顯示更加豐富鮮明)。供電電路主要是形成信號處理IC、行驅動和列驅動的供電電壓以及TFT的開關電壓(TFT開啟電壓VGH、TFT關閉電壓VGL)等。
一、T-CON板常見故障及分析
1、顯示畫面顏色異常
一般來說,液晶屏顯示畫面的顏色異常,與信號處理IC有很大的關系,信號處理內部結構復雜,集成度高,很容易被靜電和突發的強電壓、大電流損壞。大多數的畫面異常是信號處理IC損壞引起的。IC輸出液晶屏顯示需要的控制信號和像素信號,IC損害后,控制信號無法完成對像素信號的有序排列,所以產生畫面異常。另外,FFC(軟排線)損壞或連接不到位也會產生畫面異常。
2、顯示器的顯示畫面無圖
顯示畫面沒有圖像就意味著IC沒有控制信號和像素信號的輸出,引起顯示器無圖的原因有這麼幾方面:(1)、IC嚴重損壞,導致沒有控制信號和像素信號的輸出,顯示器沒有可供顯示的圖像輸入,所以不顯示;(2)、給IC供電穩壓芯片損壞導致IC不工作,所以無圖像;(3)、供電電路(DC/DC電路)故障導致不能提供IC工作所需的電壓,所以無圖。
3、顯示畫面中的灰階畫面異常
灰階畫面異常與GMA形成電路有很大關系,GMA電壓的形成是將電阻分壓陣列采集來的一串VS電壓信號經過集成運算放大器的運算放大后輸出一串GMA電壓信號,在灰度形成過程中以GMA電壓信號作為參考標準,GMA電壓異常就會導致灰階畫面發生異常。
二、控制板的維修方法
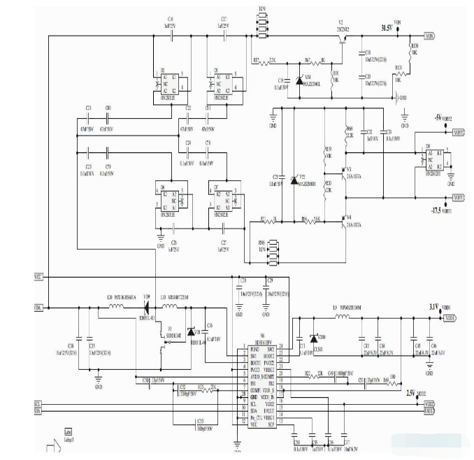
1、控制板供電電路故障引起的無圖、附有供電部分的電路圖:
供電部分主要是為信號處理IC、行驅動電路、列驅動電路提供工作電壓,除GMA電壓外,幾乎所有的電壓均有該電路產生。供電部分出現故障必然會導致其他電路因供電異常而無法工作,導致液晶屏沒有畫面。檢修時,首先應測量保險絲有無燒壞,發現保險絲燒壞后,更換保險絲,重新通電檢測畫面。保險絲沒有問題,首先用萬用表測量VON(VGH)電壓是否為31.5V左右,VOFF(VGL)電壓是否為-5V左右。如果VON、VOFF電壓不正常,測量VD10有無擊穿,沒有擊穿則可能是BD8161EFV芯片損壞。如果VON、VOFF正常,測量LVDS接口是否為12V,如果測不到12V電壓,則很可能是控制板電路有短路。如果12V正常,再測量VDD是否為3.1V,如果不是3.1V,證明BD8161EFV芯片輸出不正常。如果VDD是3.1V則很可能不是供電電路引起的故障。如果BD8161EFV芯片周圍有短路,則先用熱風槍將芯片吹下來,用萬用表測量短路消失,證明是芯片引起的短路,更換芯片即可。如果用萬用表測量短路依然存在,就需要對短路的元器件逐個排除。
2、信號處理IC故障引起的畫異
信號處理IC的電路下圖所示:
大多數的畫面異常是由信號處理IC故障引起的。T-CON芯片(信號處理IC)產生控制信號,控制像素數據在行電極和列電極進行有序的排列。當信號處理IC出現故障時,無法產生正常的控制信號使像素數據得到有序的排列,從而產生畫面異常;信號處理IC故障還會引起送入T-CON芯片的LVDS信號無法轉化成RSDS控制信號,導致顯示畫面白屏或黑屏等。信號處理IC引起的畫面異常包括所有顯示畫面雜亂無章、TN機種只顯示黑畫面、MAV機種只顯示白畫面、花屏等。在確定IC故障的維修過程中,需要用到示波器。先用示波器測量STH信號的波形、幅值、占空比是否正常。若不正常則可判斷信號處理IC已經出了問題,更換IC,一般故障即可排除。若STH信號正常,再分別測量STV、OE、CKH、STB、CPV、CKV、POL等信號的波形、幅值、占空比是否正常。直到確定信號處理IC故障為止。修理時間長了后,可根據是哪種畫面異常,反推出是否是信號處理IC的故障。附上信號處理IC產生的各信號的作用。
(1). 驅動IC的始動信號 。
(2). POL 反轉信號,決定反轉模式。
(3). STB 門輸入,讓同一條水平線的信號同時進入。
(4). CPV/CKV 行驅動IC時鐘。CKH 列驅動IC的時鐘。
(5). STH 列
(6). STV 行驅動IC的始動信號。
(7). OE 避免同一個信號同時傳到上下相鄰的兩水平線。
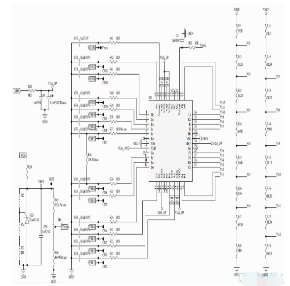
3、灰階畫面異常的維修
伽馬電壓形成電路的電路如下圖所示:
液晶屏顯示畫面要有層次感,就必須在顯示的時候加入灰度,灰度的形成是在列驅動IC中進行的,在灰度形成過程中是以GMA電壓作為參考進行的。當GMA電壓異常時,就會在灰階畫面下產生畫面異常。維修時,測量GMA電壓測試點,看各GMA電壓測試點之間有無短路,當發現短路時,應首先懷疑是集成運放的內部出現短路,更換集成運放,重新測量各GMA電壓測試點的電壓,如果正常了證明是集成運放的問題,如果還是不正常則要分析兩個GMA電壓測試點的之間的元器件,找出造成短路的元器件,更換掉電路就會恢復正常。測量GMA電壓測試點但沒有發現短路現象,則測量各點的GMA電壓值,看是否正常,找出GMA電壓值不正常的一個點測量它到集成運放的各元件的壓降,找出壓降不正常的元件換掉看該GMA電壓測試點的電壓是否恢復正常。如果還不正常,則很可能是集成運放有問題。
控制板的介紹和控制板的維修就到這里,深圳佳顯LCD液晶模塊廠家希望對大家會有所幫助。




阿里巴巴二維碼
網站二維碼